Skema VFD

VARIABLE FREQUENCY DRIVE MOTOR 1 FASA DENGAN MODULASI SPWM

Variabel Frequency Drive (VFD) merupakan gabungan dari rectifier dan inverter, di mana rectifier berfungsi sebagai pengubah tegangan AC dengan frekuensi tetap menjadi tegangan DC dan inverter berfungsi sebagai pengubah tegangan DC menjadi AC dengan frekuensi variabel yang dapat diatur. VFD melakukan konversi dari tegangan AC frekuensi tetap menjadi AC frekuensi variabel dengan cara mengubah menjadi tegangan DC terlebih dahulu melewati rectifier kemudian menjadikannya variabel frekuensi melalui inverter

Tampilan modulasi SPWM melalui osciloskop

Blok Diagram Sistem

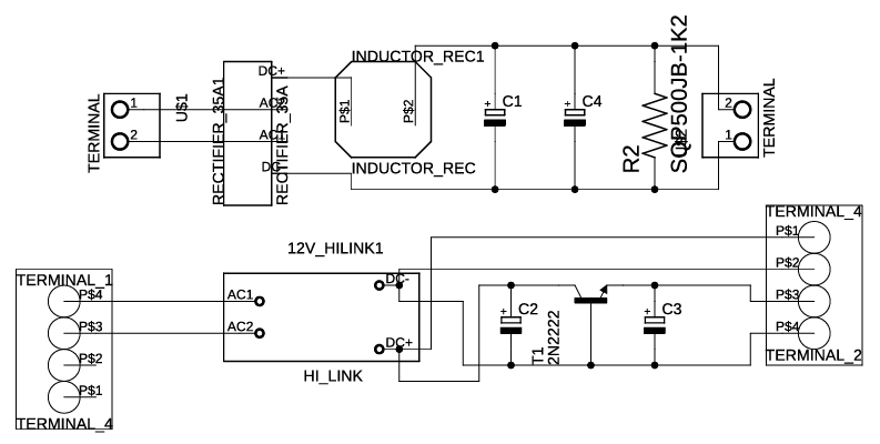
Rangkaian Power Supply

Berikut adalah desain rangkaian power supply. Untuk tegangan tinggi digunakan input 220 VAC yang akan disearahkan atau diubah dalam bentuk DC melalui rectifier H-Bride dioda. Setelah itu tegangan akan difilter mengunakan LC filter sebelum masuk ke rangkaian inverter untuk kembali dikonversi kedalam tegangan AC dengan frekuensi variabel. Selanjutnya untuk rangkaian input kontroler digunakan tegangan rendah 12V dengan memanfaatkan komponen Hi-link yang mampu mengkonversi tegangan AC 220V menjadi DC 12V.

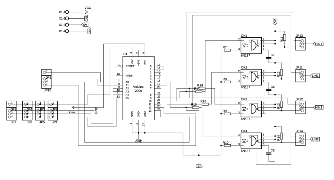
Rangkaian Kontrol

Rangkaian driver MOSFET berfungsi untuk mengatur kondisi high atau low sinyal yang akan diterima oleh MOSFET pada bagian inverter. Input sinyal pada IC IR2110 terdapat pada kaki HIN dan LIN, untuk output IC IR2110 terdapat pada kaki HO dan LO yang di-hubungkan dengan kaki Gate pada sepasang MOSFET high side dan low side. Ketika HIN mendapatkan sinyal HIGH maka akan menggerakkan MOSFET high side, sedangkan ketika LIN mendapatkan sinyal HIGH maka akan menggerakkan MOSFET low side. Komponen bootstrap pada rangkaian MOSFET Driver ini mengacu pada Application Note AN-978, datasheet IC IR2110, dan datasheet IRF840. Pada rangkaian driver MOSFET input sinyal ini berasal dari optocoupler 6N137 dan mikrokontroller Arduino uno, Arduino uno sebagai pembangkit sinyal SPWM dan 6N137 sebagai isolasi apabila terjadi kasus short circiut pada rangkaian driver MOSFET atau inverter maka Arduino aman terhadap tegangan tinggi yang dapat merusak Arduino.

Rangkaian Mosfet H-Bridge

Pada rangkaian Inverter menggunakan dua pasang MOSFET atau empat buah MOSFET yang berfungsi sebagai saklar dengan konfigurasi full bridge, MOSFET yang digunakan adalah tipe IRF840 yang memiliki tegangan Drain-Source sebesar 500V dan arus Drain sebesar 8A. Pada masing-masing MOSFET digunakan pengaman lonjakan tegangan karena beban induktif berupa diode yang dipasang parallel pada pin sourch dan drain MOSFET dan sebuah rangkaian RC Snubber. Untuk penyulutan inverter terdapat empat masukan pada masing-masing kaki Gate MOSFET yaitu HO1, LO1, HO2 dan LO2.

© Copyright 2026 Voltus Workspace. All Rights Reserved.